发送询价





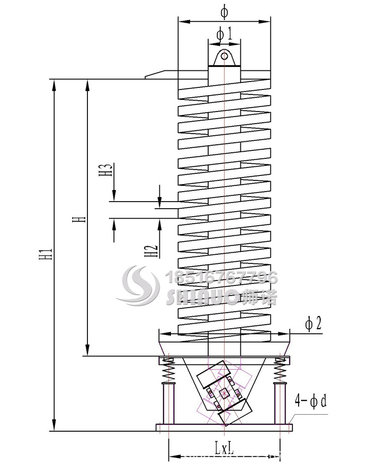
DZC系列电机振动垂直提升机是由提升槽、振动电机、减振系统和底座等组成。该系列提升机是采用振动电机作为振动源,固定在提升槽上的两台相同型号的振动电机中心线交叉一定角度安装,并做相反方向自同步旋转,振动电机所带的偏心块在旋转时各个瞬间位置所产生的离心力之分力沿抛掷方向作往复运动,使支承在减振器上的整个机体不停振动,使物料在提升槽内被抛起的同时向上运动,物料落入入料槽后,开始被抛起,此时可以使物料与空气充分接触,还可以起到散热冷却的作用。该提升机对粉状、块状和短纤维状的固体物料(有粘性和易结块的除外)都可垂直输送,还可以完成对物料的干燥、冷却作用。分敞开式、封闭式两种结构。并可按照用户需要进行特殊设计。
DZC系列振动提升机的型式:
1.振动源分:
a.交叉轴式螺旋振动输送机。b.平行轴式螺旋振动输送机。
2.以上两种又各自分为:
a.座式螺旋输送机。b.悬挂式螺旋输送机。



